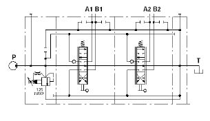
1 to 12 sections for open and closed centre. Fitted with main pressure relief and load check. Available with: Parallel, tandem or series circuit. Optional carry-over port. Port Relief and anti-cavitation circuit valves. Ø20mm non-interchangeable spools. Manual, electro-hydraulic, hydraulic pilot or remote cable spool control.
Monoblock Dual Axis Joystick Hydraulic Pilot Valve with 1 lever and 4 work ports for simultaneous operation of 2 valve sections. This unit can be arranged with several types of handles with or without electric controls. Body in cast iron.
Spool Type Valves Direct Solenoid Operated Wet Armature Solenoids
4 ways,3 position.
Flow rates are based on a 10 bar pressure drop using oil to ISO VG 46 at 50˚C
Variable displacement axial piston pumps.
These pumps are the optimal solution for mobile applications.
Available with a wide range of control options.
Compact design makes them ideally suited for direct mount to engines and gearboxes.
The displacements in each frame size are infinitely variable between maximum and minimum via simple screw adjustment.
The pump shaft supports full torque transmission in multiple unit configurations.
They are available in side (L) and rear (P) ported versions.
Addition versions available, please contact your nearest Southcott branch or distributor for the availability of the unit to suit your requirements.
Pressure compensated
Designed to supply two circuits with a single pump.
Maximum pressure - 210 BAR (3000 PSI)
Lever is adjustable through 90˚
Port "IN" = Pressure port
Port "CF" = Controlled flow
Port "EX" = Excess flow (can be used to power a second circuit)
VODL/SC/CC Series - Aluminium body - Steel bodied units available on request - add suffix AC
This valve controls a moving load in both directions preventing it from moving ahead of the pump and locks the load in any position on U1 and U2. This valve permits free flow from D1 to U1 & D2 to U2 and blocks the flow from U1 to D1 to D2 until a pilot pressure generated at D1 or D2 is sufficient to pilot the U1 or U2 port open.
It is utilised in combination with a closed centre spool valve. It is recommended to fit a port relief in this application.